DLM tappi
Produzione tappi tecnici e protezione filetti in plastica

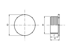
Tappo maschio filettato intero ECO


DATI TECNICI
DOWNLOAD
IT:FILETTO GASEN:GAS THREADFR:Filetage pour gazDE:Gas-GewindeES:Rosca GasCZ:Plynové vláknoPL:Gwint gazowy
| Codice | A | B | C | D |
|---|---|---|---|---|
| TMIG 1/4 ECO | G 1/4 | 10.0 | 6.5 | 20.0 |
| TMIG 3/8 ECO | G 3/8 | 10.5 | 7.5 | 20.5 |
| TMIG 1/2 ECO | G 1/2 | 13.0 | 9.0 | 25.5 |
| TMIG 3/4 ECO | G 3/4 | 14.5 | 11.0 | 30.0 |
| TMIG 1 ECO | G 1 | 15.5 | 10.0 | 37.5 |
| TMIG 1-1/4 ECO | G 1-1/4 | 16.0 | 10.5 | 46.5 |
| TMIG 1-1/2 ECO | G 1-1/2 | 16.5 | 10.5 | 54.0 |
| TMIG 2 ECO | G 2 | 17.0 | 11.0 | 71.0 |
IT:FILETTO UNF/ORFSEN:UNF/ORFS THREADFR:Filet Unf/OrfsDE:Unf/Orfs-GewindeES:Rosca Unf/OrfsCZ:Závit Unf/OrfsPL:Gwint Unf/Orfs
| Codice | A | B | C | D |
|---|---|---|---|---|
| TMIU 7/16 ECO | U 7/16 | 12.0 | 7.0 | 16.5 |
| TMIU 1/2 ECO | U 1/2 | 10.0 | 6.5 | 20.0 |
| TMIU 9/16 ECO | U 9/16 | 10.0 | 7.2 | 20.4 |
| TMIU 11/16 ECO | U 11/16 | 10.5 | 7.2 | 20.5 |
| TMIU 3/4 ECO | U 3/4 | 15.0 | 10.0 | 21.0 |
| TMIU 13/16 ECO | U 13/16 | 12.8 | 9.0 | 25.5 |
| TMIU 7/8 ECO | U 7/8 | 12.0 | 8.5 | 26.0 |
| TMIU 1 ECO | U 1 | 14.0 | 11.0 | 30.5 |
| TMIU 1-1/16 ECO | U 1-1/16 | 13.5 | 9.5 | 30.5 |
| TMIU 1-3/16 ECO | U 1-3/16 | 16.5 | 12.0 | 36.0 |
| TMIU 1-5/16 ECO | U 1-5/16 | 15.5 | 10.0 | 37.5 |
| TMIU 1-7/16 ECO | U 1-7/16 | 15.5 | 10.0 | 40.5 |
| TMIU 1-11/16 ECO | U 1-11/16 | 16.0 | 10.5 | 46.5 |
| TMIU 1-5/8 ECO | U 1-5/8 | 17.5 | 10.5 | 47.0 |
| TMIU 1-7/8 ECO | U 1-7/8 | 16.5 | 10.5 | 54.0 |
| TMIU 2 ECO | U 2 | 15.5 | 9.5 | 62.5 |
IT:FILETTO METRICOEN:METRIC THREADFR:Filetage métriqueDE:Metrisches GewindeES:Rosca métricaCZ:Metrický závitPL:Gwint metryczny
| Codice | A | B | C | D |
|---|---|---|---|---|
| TMIM 12 ECO | M 12X1.5 | 10.0 | 6.5 | 20.0 |
| TMIM 14 ECO | M 14X1.5 | 10.0 | 7.2 | 20.5 |
| TMIM 16 ECO | M 16X1.5 | 11.5 | 9.0 | 21.0 |
| TMIM 18 ECO | M 18X1.5 | 14.0 | 9.0 | 21.5 |
| TMIM 20 ECO | M 20X1.5 | 12.0 | 8.5 | 25.0 |
| TMIM 22 ECO | M 22X1.5 | 15.0 | 8.5 | 25.5 |
| TMIM 24 ECO | M 24X1.5 | 14.0 | 9.5 | 30.0 |
| TMIM 26 ECO | M 24X1.5 | 15.5 | 9.5 | 30.0 |
| TMIM 27 ECO | M 27X1.5 | 15.5 | 12.0 | 35.0 |
| TMIM 30 ECO | M 30X1.5 | 14.0 | 8.0 | 36.0 |
| TMIM 36 ECO | M 36X2 | 17.0 | 11.5 | 40.0 |
| TMIM 42 ECO | M 42X2 | 16.0 | 10.5 | 44.5 |
| TMIM 45 ECO | M 45X2 | 17.3 | 11.0 | 50.5 |
| TMIM 52 ECO | M 52X2 | 16.5 | 11.0 | 60.5 |



